金蝶K3Cloud年末结账流程怎么设置?(金蝶云星空怎么年结)

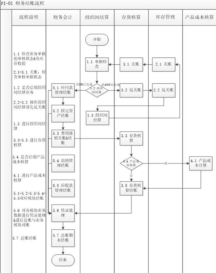
摘要:最近上网看到有金蝶用户咨询“金蝶K3Cloud年末结账流程是怎么设置的?”金蝶K3Cloud(金蝶云星空)财务结账流程包含了如下图所示从采购入库-库存关账-成本核算-应收应付关账-总账结账等全模块的操作,由于篇幅限制,本篇以总账结账为例,给大家介绍下金蝶K3Cloud年末结账的详细操作流程。一、业务背景2018年1月31日,蓝海实业

最近上网看到有金蝶用户咨询“金蝶K3Cloud年末结账流程是怎么设置的?”金蝶K3Cloud(金蝶云星空)财务结账流程包含了如下图所示从采购入库-库存关账-成本核算-应收应付关账-总账结账等全模块的操作,由于篇幅限制,本篇以总账结账为例,给大家介绍下金蝶K3Cloud年末结账的详细操作流程。

金蝶K3Cloud财务结账流程图

一、业务背景

2018年1月31日,蓝海实业集团需要对公司的主账簿进行总账期末结账,现在进行相关操作。

二、操作流程

首先登陆金蝶云星空平台,在软件主界面点击右上角所有功能的image.png图标,然后依次点击【财务会计】-【总账】-【总账期末结账】;

金蝶K3Cloud总账期末结账选项

在“总账期末结账”页面选中需要进行结账的账簿,然后点击【结账】-【确认】即可确认将所选账簿进行结账操作;

金蝶K3Cloud结账页面

在页面下方我们可以看到显示本次结账操作的结果,如果有不通过的项。金蝶云星空系统会在详细信息里面进行相关提示。结合提示做对应的操作处理即可。此时要特别注意检查总账参数设置。

金蝶K3Cloud总账结账设置成功选项

以上是“金蝶K3Cloud年末结账流程怎么设置”的全部内容分享,如果您想获取更多金蝶云软件操作手册或者还有金蝶软件其他相关疑问,请咨询我们网站在线客服哦。

本站(叮答)致力于知识交流与经验分享,助力读者提升效率、减轻重复劳动。部分内容整理自网络,仅供学习参考,版权归原作者所有。

欢迎转载本站原创内容,转载时请注明出处。如认为内容侵权,请联系 info@zjgkd.cn,我们将依法处理。

Like (0)
阿金的头像阿金
金蝶云星空和K3 Cloud主要区别有哪些?
Previous 2023年4月14日 上午9:53
金蝶财务软件有哪些版本?适用范围?
Next 2023年4月17日 上午9:49

相关推荐

发表回复

您的邮箱地址不会被公开。 必填项已用 * 标注